提供一站式超高分子量聚乙烯解決方案
熱搜關鍵詞: 高分子量聚乙烯板材 UPE一次成型件 鏈條導軌 UPE薄膜 仿真冰板 耐磨條
后臺-營銷-SEO-頭部優化文字處修改
▍性能與特點
CKG-H型鏈條導軌、單排鏈條導向件適用范圍
鏈條導軌、鏈條導向件,是一種靜壓導軌,用于支撐和導向鏈條,減少鏈條磨擦,降低噪音,增強鏈條使用壽命。高耐磨、耐溫、精密、穩固、無聲、環保等高
制造業值得信賴的伙伴。高耐磨鏈條導軌,耐磨板,耐磨工程塑料廠介直銷
可按客戶要求的長度加工。可來圖來樣訂做
CKG-H型鏈條導軌,單排鏈條導向件性能與特點:
CKG-H型單排鏈條導軌,適用06B-1~12B-1
可配C型鍍鋅鋼槽、不銹鋼槽、鋁合金
產品特點:
高耐磨、耐溫、精密、穩固、無聲、環保等高精度的
鏈條導向。
采用800萬超高分子量耐磨,耐溫工程塑料,具有經濟,無污染特性.
1:磨損小.2:摩擦阻力小.3;自行潤滑.(不需任何潤滑油)4:具有抗沖擊性.
5:使用溫度范圍-200~80℃.6:具有減震作用7:在潮濕環境下不易受潮.
8:具有高的抗化學性能.9:有抗腐蝕性.
10:通過歐盟EU和美國FDA認證,可直接和食品接觸使用.
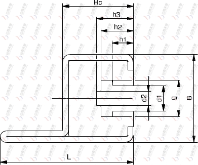
▍選型指南
單位:mm
▍實物圖
服務熱線